Este timbre de tres tonos puede ser ampliado para más sonidos y hasta convertirse en un pequeño órgano electrónico de juguete. Alimentado por 2 o 4 pilas, tiene un consumo despreciable en la condición de espera.

Los tres trimpots permiten ajustar tres tonos diferentes en el accionamiento d 3 interruptores de presión, permitiendo la identificación del origen de una llamada.

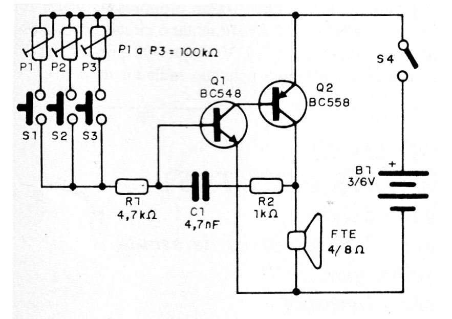
Con más trimpots y más interruptores podemos ampliar este timbre a un sistema de llamada más grande. En la figura 1 tenemos el diagrama completo de este aparato.

 

 

Figura 1- Diagrama del timbre de 3 tonos.
Figura 1- Diagrama del timbre de 3 tonos. | Clique na imagem para ampliar |

 

 

En la figura 2 tenemos el montaje que utiliza como base un puente de terminales aislados.

 

 

Figura 2 - Montaje en puente de terminales.
Figura 2 - Montaje en puente de terminales. | Clique na imagem para ampliar |

 

 

Los transistores admiten equivalentes y los resistores son de 1/8 W. Valores de 22 nF a 220 nF se pueden utilizar para C1. Los interruptores de presión pueden ser remotos.

La alimentación se puede hacer con 2 o 4 pilas pequeñas. S4 sirve para desarmar el circuito, siendo optativo, pues el consumo es muy bajo cuando el circuito no emite sonido.

Para intensidades de sonido más grandes, cambie Q2 por un BD136 y alimente el circuito con 9 o 12 V de fuente.

 

 

 

Lista de material:

 

Q1- BC548 - transistores NPN de uso general

Q2-BC558 - transistores PNP de uso general

FTE-4 o 8 ohms- altavoz común

B1 - 3 o 6 V- 2 o 4 pilas

S2 a S4 - Interruptores de presión (botón de timbre)

R1 - 4,7 k ohms x 1/8 W-resistor - amarillo, violeta, rojo

R2 - 1 k ohms x 1/8 W-resistor - marrón, negro, rojo

P1, P2 P3 - 100k ohms trimpots

C1 – 22 a 220 nF - capacitor

Varios:

Puente de terminales, soporte de pilas. Caja para montaje, hilos, soldadura, etc.